連續測試序列發生器
關鍵字:應用

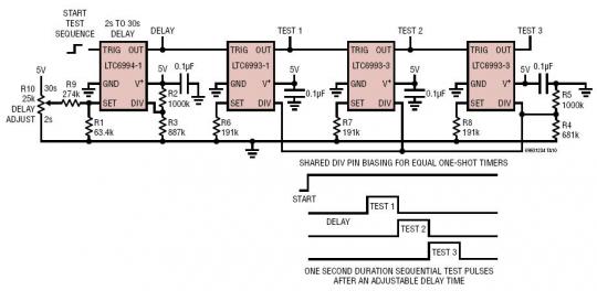
該電路突出顯示了 LTC6993 單穩脈沖發生器和 LTC6994 延遲模塊 / 防反跳器在連續測試序列發生器中的應用。這款實例電路通過配置在一個初始延遲之后提供 1s 持續時間的順序測試脈沖。初始延遲由 LTC6994 提供,而連續的 1s 持續時間脈沖則由 LTC6993 采用適當的版本 (以觸發上升沿或下降沿) 來提供。LTC6993 可通過編程以產生一個 1μs 至 33.6s 的脈沖寬度。LTC6994 具有一個 1μs 至 33.6s 的可編程延遲范圍。這兩款器件均隸屬于 TimerBloxTM 通用型硅定時器件系列。
相關閱讀:
- ...· Efinix® 全力驅動AI邊緣計算,成功推出Trion™ T20 FPGA樣品, 同時將產品擴展到二十萬邏輯單元的T200 FPGA
- ...· 英飛凌亮相進博會,引領智慧新生活
- ...· 三電產品開發及測試研討會北汽新能源專場成功舉行
- ...· Manz亞智科技跨入半導體領域 為面板級扇出型封裝提供化學濕制程、涂布及激光應用等生產設備解決方案
- ...· 中電瑞華BITRODE動力電池測試系統順利交付北汽新能源
- ...· 中電瑞華FTF系列電池測試系統中標北京新能源汽車股份有限公司
- ...· 中電瑞華大功率高壓能源反饋式負載系統成功交付中電熊貓
- ...· 中電瑞華國際在電動汽車及關鍵部件測評研討會上演繹先進測評技術
產品快訊更多








