雙輸出 DC/DC 控制器結合了數字電源系統管理和模擬控制環路以實現 ±0.5% 的 VOUT 準確度
凌力爾特公司 電源設計部負責人 Gregory Manlove
盡管電源管理對新式電子系統的可靠運行至關重要,但是在今天以數字方式管理的系統中,穩壓器也許是較后一個仍然存在的“盲點”。就穩壓器而言,很少有辦法直接配置或監視關鍵電源系統運行參數。因此,希望全面實現數字控制的電源設計師必須使用混雜在一起的排序器、微控制器和電壓監察器,以設定基本的穩壓器啟動和安全功能。目前已有數字可編程 DC/DC 轉換器可用,特別是那些為 VRM 內核電源而設計并具備 VID 輸出電壓控制功能的轉換器,但是這類有特定應用目標的轉換器不能直接溝通重要的工作參數,例如實時電流。
LTC3880 / LTC3880-1 結合了雙輸出同步降壓型 DC/DC 控制器和擁有通過基于 I


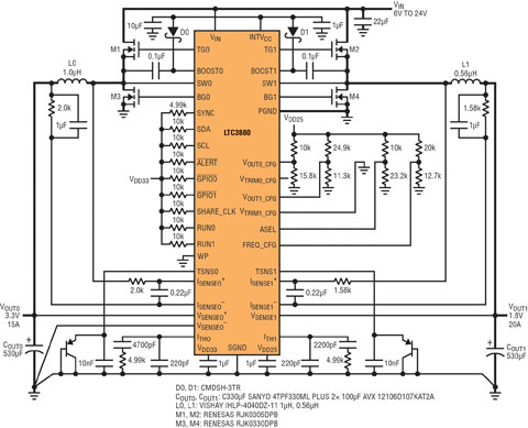
圖 1:采用外部功率 MOSFET 的雙輸出穩壓器
LTC3880 還允許通過 16 位數據采集系統監視電源,這種方法可提供輸入和輸出電壓及電流、占空比以及溫度的數字回讀,其中包括重要參數的峰值。LTC3880 還包括通過中斷標志和非易失性存儲器實現廣泛的故障記錄功能,非易失性存儲器是一種“黑匣子”記錄器,存儲了在故障發生之前瞬間轉換器的工作狀態。
數字電源系統管理的一個主要好處是降低了設計費用,并加速了產品上市。LTC3880 / LTC3880-1 憑借免費提供和可下載的 LTpowerPlay™ 開發軟件,極大地簡化了復雜的多軌系統設計,該開發軟件是一種基于 PC 的全面開發環境 (參見圖 6)。在該環境中,在線測試 (ICT) 和電路板調試僅需要點擊幾下鼠標就可完成,而無需焊接到“白色導線”定位點中。由于可以使用實時遙測數據,所以可以立即得到設計結果,從而有可能預測電源系統故障,并立即采取預防性措施。
也許較重要的是,具備數字管理功能的 DC/DC 轉換器允許設計師開發“綠色”電源系統,這類系統優化了能源利用率,同時滿足系統性能目標 (計算速度、數據傳輸速率等等)。優化可以在負載點、電路板和機架上進行,甚至可以在安裝階段進行,從而降低了基礎設施成本和產品整個壽命期內的總體擁有成本。
為了提供較佳性能調節,LTC3880 堅持采用精確的基準和溫度補償模擬電流模式控制環路,以產生嚴格的 ±0.5% DC 輸出電壓準確度。該模擬控制環路促成了非常容易的補償,環路經過了校準,以不受工作條件的影響,該環路還可實現逐周期限流,并產生快速和準確的電壓及負載瞬態響應,在運用數字控制的產品中沒有見到與 ADC 量化有關的誤差。
LTC3880 具備內置的穩壓器以提高集成度,而 LTC3880-1 允許使用外部偏置電壓以實現較高效率。這兩款器件都采用耐熱增強型 6mm x 6mm QFN-40 封裝,工作節溫范圍為 -40°C 至 105°C (E 級版本) 或 -40°C 至 125°C (I 級版本)。
模擬控制環路確保同類較佳的穩壓器性能
LTC3880 / LTC3880-1 是數字可編程以實現無數功能,這包括輸出電壓和電流限制設定點以及排序。控制環路盡管是純模擬的,但提供了較佳環路穩定性和瞬態響應,而不會產生數字控制環路的量化效應。圖 2 比較了具備模擬反饋控制環路的控制器 IC 與具備數字反饋控制環路的控制器 IC 之斜坡曲線。模擬環路有平滑的斜坡,而數字環路有離散的步進,由于量化效應,這可能導致穩定性問題、較慢的瞬態響應、在某些應用中需要更大的輸出電容以及在 PWM 控制信號上有更大的輸出紋波和抖動。

圖 2:LTC3880 的模擬控制環路與數字控制環路的比較
ANALOG CONTROL LOOP:模擬控制環路
ANALOG CURRENT WAVEFORM:模擬電流波形
FIXED:固定的
DIGITAL CONTROL LOOP:數字控制環路
DIGITAL RAMP:數字斜坡
實際上,與具備數字控制環路的可比較 IC 相比,LTC3880 的模擬控制環路需要使用的輸出電容小 50% 且具有更好的穩定性和更短的穩定時間。此外,由于存在 ADC 分辨率有限引起的量化效應,所以數字控制的瞬態響應在穩定之前有震蕩。圖 3 比較了 LTC3880 的模擬控制環路與同類 IC 的數字控制環路的瞬態響應。請注意,LTC3880 使用約等于數字控制器一半的輸出電容,但產生了更干凈的結果。

圖 3:在
ANALOG CONTROL LOOP:模擬控制環路
100mV/DIV:每格 100mV
AC-COUPLED:AC 耦合
DIGITAL CONTROL LOOP:數字控制環路
LTC3880 設計為,當修改其配置文件時,環路增益不變。當修改輸出電壓或電流限制時,瞬態響應不受影響,而且補償環路無需要調節。
PMBus 控制
LTC3880 / LTC3880-1 具備數字設定和回讀,以實時控制和監視關鍵負載點轉換器的功能。配置可通過 I2C 串行接口下載至內部 EEPROM,凌力爾特基于 PC 的 LTpowerPlay 開發軟件支持該接口。圖 4 顯示了具備 USB 至 I2C / SMBus / PMBus 適配器連接的 LTpowerPlay 開發平臺。配置文件存儲在內置的非易失性存儲器中以后,控制器自主加電,而不會增加主機負擔。配置電路板是一項簡單的任務,完全不需要開發固件。

圖 4:用 LTpowerPlay 軟件建立完整的開發平臺非常容易
USB to PMBus Controller:USB 至 PMBus 控制器
Demo Board:演示電路板
Socketed Programming Board:有插座的設置電路板
Customer Board with LTC3880/LTC3880-1:采用 LTC3880 / LTC3880-1 的客戶電路板
Demonstration Kit:演示套件
Or:或
Socketed Programming:通過插座設置
In-circuit Serial Programming:在線串行設置
PMBus 功能包括可設置特定的電源管理參數,包括:
輸出電壓和電壓裕度
基于電感器溫度的溫度補償電流限制門限
開關頻率
過壓和欠壓高速監察器門限
輸出電壓接通 / 斷開時間延遲
輸出電壓上升 / 下降時間
輸入電壓接通 / 斷開門限
輸出軌接通 / 斷開
輸出電壓軌高裕度/低裕度
響應內部 / 外部故障
故障傳播
此外,PMBus 功能允許監視電源的運行,包括:
輸出 / 輸入電壓
輸出 / 輸入電流
內部芯片溫度
外部電感器溫度
器件狀態
故障狀態
系統狀態
峰值輸出電流
峰值輸出電壓
峰值內部 / 外部溫度
故障記錄狀態
組成一個多軌系統
大型多軌電源電路板一般由一個隔離式中間總線轉換器組成,將來自背板的 48V、24V 或其他相對較高的電壓轉換成較低的中間總線電壓 (IBV),一般為 12V,該中間總線電壓被分配到 PC 板卡各處。
單獨的負載點 (POL) DC-DC 轉換器將 IBV 降至所需的軌電壓,軌電壓通常在 0.5V 至 5V 范圍,同時輸出電流范圍為

圖 5:用來控制 15 個或更多軌的 LTpowerPlay 和 PMBus
SYSTEM HOST PROCESSOR WITH LTpowerPlay™:采用 LTpowerPlay 的系統主處理器
TO OTHER LTC3880s, LTC2974s AND LTC2978s:至其他 LTC3880、LTC2974 和 LTC2978
RAIL 1:軌 1
電源管理的復雜性越來越高。具有超過 30 個軌的電路板并非不常見。這類電路板上組件排列已經相當密集,因此所增加的數字電源系統管理電路必須占用較少的電路板空間和外部引腳。該系統必須非常容易由用戶或系統主處理器進行修改。LTC3880 可與凌力爾特其他 PMBus 監察器、伴隨 IC 以及凌力爾特穩壓器無縫配合,以實現復雜電路板的較佳控制。這些系統在初始配置完成后自主工作,或與主處理器通信,以獲取命令、實現控制并報告遙測數據。
凌力爾特 PMBus 控制器 (例如: LTC3880) 以及伴隨 IC (例如: LTC2978) 使得為任何數量的電源設定加電和斷電排序都非常容易。利用基于時間的算法,用戶能以任何順序和簡單的可編程延遲動態地對軌的接通和斷開排序。利用單線 SHARE_CLK 總線以及一個或多個雙向通用 IO (/GPIO) 引腳,也可以跨多個芯片排序。這極大地簡化了系統設計,因為多個軌能以任何順序排序。還可以在以后增加額外的 PMBus 芯片,而不必擔心系統限制,例如連接器引腳數量有限等。PMBus 支持多個地址,從而在同一條 I2C 總線上允許連接超過 100 個獨特的器件。
軌接通的排序可以由響應各種條件而觸發。例如,當中間總線電壓超過所設定的門限 (VIN(ON)) 時,LTC3880 和 LTC2978 可以自動排序。或者,軌接通排序可以由響應 RUN / CONTROL 引腳的上升沿而啟動。軌接通排序還可以由 PMBus 命令啟動。
凌力爾特 PMBus 伴隨 IC 的故障引腳可以共享 LTC3880 上的 /GPIO 引腳,以控制軌之間的故障響應相關性。例如,可以對系統進行配置,以使一個軌上的故障可以啟動任何數量軌的停機。如果將故障響應配置為“立即斷開、不進行重試”,而且發生了一個故障,那么主處理器就必須采取行動,以使這些軌重啟。或者,如果故障響應被設定為“立即斷開、無限重試”,而且發生了一個故障,那么斷開的軌就嘗試以用戶可編程的延遲和打嗝模式自主加電。故障響應還可以設定為“忽略不計”,在這種情況下響應故障時,/ALERT 引腳被拉低,以提醒主處理器出現了問題,但是電源繼續給負載供電。/GPIO 引腳還可以配置為電源良好狀態引腳,或配置為快速 UV 比較器輸出,以實現基于事件的排序。
LTpowerPlay 開發系統
基于 PC 的 LTpowerPlay 軟件開發系統全面支持 LTC3880 的控制功能,這允許設計師實時修改所有凌力爾特 PMBus 產品的配置值,而無需手動給電路板更換連接線。圖 6 顯示了工作中的 LTpowerPlay,它控制了多個器件的多種功能,例如輸出電壓、保護限制和接通 / 斷開斜坡。其中還顯示了一些波形,包括多個軌的排序和遙測圖。引起問題的軌用紅色顯示,任何受到影響的軌都用黃色表示,以此指示故障情況。

圖 6:復雜的多軌電源系統得到了簡化。LTpowerPlay 使你能隨時實現全面的電源控制
LTpowerPlay 是免費提供的,可從網址 www.linear.com.cn/ltpowerplay 下載。LTpowerPlay 可與凌力爾特其他控制器和伴隨 IC 配合使用,能快速和容易地配置多軌電源系統。
結論
LTC3880 / LTC3880-1 結合了同類較佳的模擬開關穩壓器、精確的數據轉換和靈活的數字接口,可實現無與倫比的高性能。多個 LTC3880 可以與凌力爾特其他產品一起使用,以組成優化的多軌數字電源系統。易于使用的 LTpowerPlay 軟件開發系統支持所有凌力爾特的 PMBus 產品。
對模擬電源的數字控制使設計師能讓系統快速進入正常工作狀態,為監視、控制和調節電源電壓、限制和排序提供了一條非常容易的途徑。使用幾條標準 PMBus 命令,就可以非常容易地進行生產裕度測試。調試也得到了簡化,因為可以通過該總線傳遞軌狀態信息。
電源系統數據可以發送回 OEM,以提供有關電源是否正常以及能耗的信息。如果電路板被返回,那么可以讀出故障記錄,以確定發生了什么故障、電路板溫度和故障時間以及導致該故障的歷史數據。這些數據可用來快速確定故障的根本原因,系統是否工作在規定的工作限制之外,或用來改善未來產品的設計。功耗數據可用來實時降低總體功耗。
客戶需要越來越復雜的電路板,在這一需求的驅動下,數字電源成為一個快速增長的領域。LTC3880 和凌力爾特其他 PMBus 產品一起使用,可為高性能電源提供靈活的數字控制。電路板設計師現在擁有了簡化流程、快速為市場提供同類較佳性能的工具。
相關閱讀:
- ...2011/12/19 10:26·Linear LTC3880雙輸出多相降壓電源解決方案
- ...· Efinix® 全力驅動AI邊緣計算,成功推出Trion™ T20 FPGA樣品, 同時將產品擴展到二十萬邏輯單元的T200 FPGA
- ...· 英飛凌亮相進博會,引領智慧新生活
- ...· 三電產品開發及測試研討會北汽新能源專場成功舉行
- ...· Manz亞智科技跨入半導體領域 為面板級扇出型封裝提供化學濕制程、涂布及激光應用等生產設備解決方案
- ...· 中電瑞華BITRODE動力電池測試系統順利交付北汽新能源
- ...· 中電瑞華FTF系列電池測試系統中標北京新能源汽車股份有限公司
- ...· 中電瑞華大功率高壓能源反饋式負載系統成功交付中電熊貓
- ...· 中電瑞華國際在電動汽車及關鍵部件測評研討會上演繹先進測評技術








