安森美半導體基于NCP1246和NCP4354低待機能耗電源適配器方案
交流-直流(AC-DC)電源適配器的應用非常廣泛,如用于筆記本電腦、液晶顯示器及打印機等。這些電源適配器長時間處于空載待機模式,而且使用量巨大,由此帶來巨大的電能損耗。美國“能源之星”標準對這類外部電源(EPS)的空載能耗有明確要求,即功率50 W以下的AC-DC EPS空載能耗不超過0.3 W;功率介于50 W至250 W的AC-DC EPS空載能耗則要不超過0.5 W。目前,市場上較佳性能的AC-DC適配器較佳空載能耗性能是30 mW左右。而較新適配要求是空載能耗低于30 mW,這就要求降低輸出電壓(Vout),以減少空載寄生能耗;還要允許關閉初級端控制器,以進一步降低能耗。這樣一來,在空載期間,適配器輸出電壓可自動降低,輸出電壓可在19 V-2.5 V之間跳變,以降低穩壓能耗。
安森美半導體推出的NCP1246的空載能耗小于16 mW,利用NCP1246 + NCP4354實現的低待機能耗解決方案可輕松滿足“能源之星”要求,適用于功率65 W的電源適配器,并能實現20 mW以下的極低待機能耗。
兩個器件組成的低待機能耗方案
NCP1246是一個滿足上述要求的初級端控制器。NCP4354是一款次級端控制器,具有檢測空載條件,且可由光耦關閉NCP1246。它可替代TL431,電流消耗小于100 μA。NCP4354可以對空載進行檢測,器件中增加的空載檢測電路對“輸出電壓” (Vout) 與“空載信息”(No load info)進行比較。在高開關頻率或高頻待機跳周期模式下兩者均等于負載;而在空載及極低頻跳周期模式下兩者不同;在小電容及恒定負載條件下,輸出電壓保持恒定,而““空載信息”走低。這樣,無需進行功率檢測,對能效及安全無影響,而且外部元件數量很少,易于調節。
圖1是進入關閉模式的過程。當輸出電流從滿載慢慢降低時,初級控制器會從正常工作轉換成跳周期工作,輸出電壓和空載信息基本上比較接近;當輸入極低跳周期或關閉模式時,輸出空載電壓將低于輸出電壓,從而檢測到極低負載或空載,激活關閉模式。

圖1:進入關閉模式的過程
當輸出電壓大于“空載信息”時,導通/關閉(ON/OFF)光耦關閉初級端控制器;在初級端控制器重啟前,輸出電壓允許降低至2.5 V。這樣就可以實現頻率低至0.01333 Hz (75 s跳周期時間) 的極低頻率跳周期模式。
NCP1246的特性及應用
NCP1246是一款固定頻率、電流模式控制器,是為空載和輕負載條件下較大限度地降低能耗而專門優化的。該器件可動態自供電,內置了有源X2電容放電;可以進入省電休眠狀態,提供輸出電壓打嗝模式;在輕負載條件下降低頻率,并采用跳周期模式;省去了放電電阻,從而節省了電力及元件;在空載條件下顯著降低了功耗,保持整個線路/負載范圍內的高效率。
此外,在嚴重故障情況下,NCP1246可閉鎖輸入,允許直接連接NTC;基于定時器的保護可自動恢復或鎖定;具有高壓啟動電路;在整個負載范圍內軟化EMI干擾的頻率抖動;實現高達30 V的Vcc 操作。NCP1246的市場及應用包括:AC適配器 (筆記本電腦、液晶顯示器和打印機)、開架式PSU (DVD、STB)、離線電池充電器、消費類電子產品電源等。
為了符合安規標準,AC-DC電源必須具備在撥出交流插頭后不到1秒時間內將電磁干擾(EMI)濾波器X2輸入電容放電的能力。為了符合此要求,常使用與電容并聯的一串高阻抗電阻,但是,電阻型消耗源 (drain)消耗約25 mW輸入能耗,當考慮到空載輸入能耗時,此25 mW能耗相對較大。安森美半導體的方案采用有源X2電容放電來檢測斷開交流連接狀況,并通過開關觸發電容放電。NCP1246 HV引腳包含了交流線路撥出檢測器,如果定時器定時到期,輸入即為直流,放電電路被觸發,X2電容放電,見圖2。

圖2:NCP1246交流線路撥出檢測器
器件的關閉模式是由從次級端到NCP1246反饋引腳的信號來觸發的。NCP435x使用相同的光耦提供此信號,用于反饋網絡;空載期間,NCP435x驅動光耦,下拉反饋(FB)引腳,關閉NCP1246。NCP1246的關閉模式有兩個與眾不同之處,一個是采用低能耗關閉模式,另一個是以光耦觸發的關閉模式。
NCP4354的特性及應用
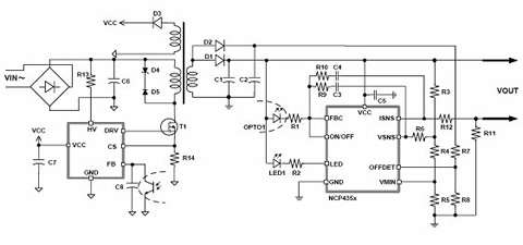
NCP4354是專為與NCP1246配合使用而設計的一款低待機能耗次級端恒流恒壓 (CCCV) 控制器,帶有LED驅動器 (圖3)。其價值在于,可檢測空載條件并使主控制器進入超低頻率跳周期模式,以降低待機功耗;只有一個反饋和關閉(OFF)控制所需的光耦;提高了空載效率(小于15 mW);元件更少。此外,它還具有CCCV反饋和LED驅動器、供電電壓高達36 V、在關機模式可調整較低Vout、1.25 V參考精度為1%,以及Icc大于100 μA等特性。NCP4354與NCP1246一起使用,可調節Vmin,市場及應用范圍包括筆記本電腦適配器及其他外部電源適配器。NCP435x系列還有一款不帶LED驅動器的產品NCP4353,可以與NCP1246一起使用來調節Vmin(僅B版本)。

圖3:NCP4354典型電路圖
NCP4353A及NCP4354A具有嵌入式恒壓恒流(CVCC),通過增添的OTA增加電流控制(CC)功能,直接提供穩壓動作和CC;以直接輸出電流檢測來增強安全性;低壓參考(VREFC = 0.0625V,±5%)可降低檢測電阻(Rsense)的壓降及能耗。
為了幫助客戶盡快實現低待機能耗解決方案,安森美半導體提供了NCP1246 + NCP4354 65W適配器演示板(圖4)。圖5是演示板的電路圖。從圖6可以看出其能效相當高。

圖4:65 W適配器演示板

圖5:65 W適配器演示板電路圖

圖6:65 W演示板能效
結論
NCP1246及NCP4354是用于適配器的同伴器件,NCP1246集成帶X電容放電和輸入欠壓保護功能的高壓啟動電路,可以實現頻率抖動、無損過功率補償、輕載時頻率反走、跳周期及休眠模式等功能。NCP4354為次級端CCCV控制芯片,集成了空載檢測及電壓控制,內含1.25 V基準及LED驅動。一起使用兩款器件可為AC-DC電源適配器提供極低的空載待機能耗,輕松滿足“能源之星”標準的要求。
相關閱讀:
- ...2015/11/24 12:53·安森美半導體首創智能無源傳感器用于汽車無線感測應用
- ...2015/11/09 17:05·安森美半導體配合市場趨勢的無線充電方案
- ...2015/09/09 17:06·安森美半導體助力汽車朝電氣化及智能化發展
- ...2015/09/09 16:42·安森美半導體新一代同步整流驅動控制器NCP4305 顯著實現更高能效
- ...2015/08/25 19:43·安森美半導體配合汽車照明設計趨勢的解決方案
- ...2015/08/11 17:44·安森美半導體的汽車空調自動控制方案促進節能
- ...· Efinix® 全力驅動AI邊緣計算,成功推出Trion™ T20 FPGA樣品, 同時將產品擴展到二十萬邏輯單元的T200 FPGA
- ...· 英飛凌亮相進博會,引領智慧新生活
- ...· 三電產品開發及測試研討會北汽新能源專場成功舉行
- ...· Manz亞智科技跨入半導體領域 為面板級扇出型封裝提供化學濕制程、涂布及激光應用等生產設備解決方案
- ...· 中電瑞華BITRODE動力電池測試系統順利交付北汽新能源
- ...· 中電瑞華FTF系列電池測試系統中標北京新能源汽車股份有限公司
- ...· 中電瑞華大功率高壓能源反饋式負載系統成功交付中電熊貓
- ...· 中電瑞華國際在電動汽車及關鍵部件測評研討會上演繹先進測評技術








