省毫瓦以增里程;提升汽車CAN總線能效以增強燃油經濟性
作者:安森美半導體Jan Polfliet、Wim Van de Maele、Roman Buzas
對于傳統乘用車而言,油箱是唯一的實際能源來源,故制造商們尋求在包括電子系統在內的所有汽車系統中節能,以進一步改善燃油經濟性及二氧化碳(CO2)排放。隨著汽車中增添的電子系統的數量不斷增多,以增強汽車性能及安全性,并為購買者提供有吸引力的新功能,汽車中每個電子控制單元(ECU)的節能效果較低的話,就會使總油耗大幅增加。
芯片設計人員采用不同技術及途徑,已經能夠降低他們提供的器件的總能耗。在單個系統基礎芯片(SBC)中結合多個器件的功能,并應用不同電源管理策略,還能幫助進一步降低總能耗。這些進展表示當今的內燃發動機汽車能夠舒適安全地搭載乘客,而使用的燃油更少,碳排放更低。
增強型系統基礎芯片
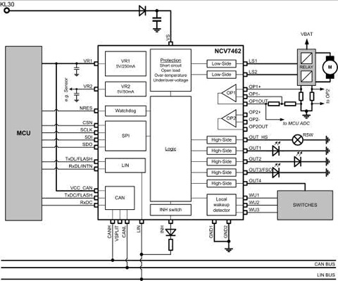
SBC為連接至汽車(CAN或LIN)總線的各種模塊(如車門模塊)提供電能、驅動器及連接功能。通常情況下,它們可能集成穩壓器, 為控制器及傳感器、高邊和/或低邊驅動器、收發器接口及喚醒或看門狗引腳等其它系統連接功能供電。在單片器件中集成這些功能且結合內置電源管理,跟使用分立元件相比,在功率、成本及尺寸方面具備優勢。當今的SBC使用現有技術及電源管理,能提供約20 μA的休眠電流及約60 μA的待機電流。
在一款典型SPC中,片上穩壓器通常是低壓降(LDO)線性穩壓器,如圖1所示。基于這個原因,設計人員面臨的主要挑戰就在于散熱管理,因為LDO功率耗散相對較高。對于5 V時150 mA的穩流供電電流而言,SBC應當能夠耗散高達1.3 W的總功率。如果SBC的LDO包含內置旁路元件,此功率就在SBC封裝內部耗散。用于需要更大電流(通常高于250 mA)的模塊的SBC,通常設計為與外部旁路元件一起使用。這就有效分散SBC與外部MOSFET之間的功率耗散,從而能夠擴展實用的環境溫度范圍。

圖1. 包含LDO穩壓器的傳統SBC
提升電源電路的能效,如在某些或全部LDO處使用開關模式的DC-DC轉換器,能夠大幅降低汽車中每個CAN節點SBC的功率損耗額。這能幫助簡化散熱管理,還能提升燃油經濟性。
在仔細選擇轉換器架構的情況下,采用開關模式DC-DC轉換的SBC能為使用自動停止-啟動(或微混合)技術的較新型車提供重要優勢。自動停止-啟動技術在汽車停下來 (如等候交通信號燈) 時關閉發動機,能夠降低市區行駛的燃油消耗約15%至20%;當駕駛員踩下加速踏板(油門)時,發動機自動重啟,使系統有效地工作,而且這個過程對駕駛人員而言是透明的。為了確保CAN總線上的所有系統都能夠持續恰當地發揮功用,應用必須保持全面工作,即使是在發動機啟動期間電池電壓降至2.5 V那么低時,也是如此。在這種情況下,升壓-降壓DC-DC拓撲結構使SBC能夠在所有工作條件下提供所要求的穩壓輸出電壓。

圖2:采用DC-DC轉換器的SBC
局部網絡
當今的汽車可能包含大量ECU,高端車型中的ECU數量可能多達100個左右。大多數ECU(如果不是全部的話)連接至CAN總線,因此,CAN總線始終是啟用的。即使發動機熄火時,某些ECU必須保持工作,以維持遙控開鎖(RKE)等功能的運作。這么多數量的ECU連接至總線,對總體電能消耗有重要影響。
局部網絡(Partial Networking, PN)是一種用于降低能耗同時使ECU能夠對喚醒指令作出響應的技術。系統僅在某些特定時刻根據需要啟用部分網絡,而其它節點保持在低功率狀態。有幾種可能的局部網絡應用方案。針對公路用車頒布的CAN標準ISO 11898-6定義了選擇性喚醒功能,作為以高速媒體存取提供局部網絡的方式。當某個ECU不要求工作時,它可能斷開與CAN網絡的連接,只要沒有特定指令傳送給這個特別節點。
為了配合局部網絡功能,各個節點要求專用收發器中內置“選擇性喚醒功能”。這種選擇性喚醒功能使不工作的ECU的電流消耗能降低至汽車制造商通常規定的100 μA平均待機電流極限范圍內。即使有這樣的省電效果,但連接至總線ECU數量眾多,以致于對總線的總能耗進而對汽車的燃油消耗有較大影響。這種途徑的另一項缺點就是跟每顆IC中必須包含的額外選擇性喚醒電路相關的系統成本增加了。此外,網絡內所有節點都需要軟件適配,以配合應用局部網絡。這就增加了較大的系統開發負荷。
引入 CAN中繼器
通過將邏輯總線分割為兩個物理部分,使其中某個完整部分在不用時斷電,能夠獲得可貴的省電效果,如圖2所示。這可以通過在連接至CAN總線的某個模塊上引入雙向中繼器來實現。

圖 3. 增加一個具有CAN中繼器的模塊使總線能夠分割為兩個部分
常規模塊包含一個連接至總線的CAN收發器,此收發器將物理CAN信號轉換為由模塊的微控制器(MCU)處理的數字信號。通常情況下,連接至總線的所有模塊都是這種類型。增加一個帶內置CAN中繼器的模塊會創建一個點,總線在此點能從物理上分為兩個部分。
如圖4所示,CAN中繼器以與獨立式CAN收發器類似的方式連接微控制器。在此器件內部,端口A上的每個信號傳輸至端口B,而端口B上的每個信號傳輸至端口A。CAN總線信號在微控制器中被解釋(interpreted)。CAN總線數據的重復在中繼器芯片內部完成。當接收到進入休眠(Go-to-Sleep)指令時,端口之間的連接被斷開,有效地斷開端口B上網絡部分的連接。斷開連接部分上的所有節點都可以進入極低能耗的休眠模式。

圖4. CAN中繼器模塊的內部架構。
這種方法簡單且性價比高,因為所有節點中除了一個節點外都可以使用標準ISO11898-2或ISO11898-5收發器來應用,而且無須軟件適配。僅要求使用一個中繼器。當使用這種技術時,重要的是計算顧及到線纜長度、傳輸速度及由中繼器導致的額外延遲等因素的總體時序。
采用這種方式來分割總線也增強了汽車的故障容限(如線纜對地或電池短路)能力。如果有要求,還可以通過插入額外的總線中繼器,來進一步限制這些所謂的“硬”總線故障。還可以防止帶有像增加電磁輻射及散熱問題等后果的“軟”錯誤影響整個網絡。
結論
當今的汽車制造商越來越注重將汽車中每個系統的能效提升至較高,以滿足更嚴格的排放及燃油經濟性目標。為了符合汽車購買者乃至地球的需求,如今,前所未有地更加重要的是,充分利用新的IC進展來更高效率地在從熄火到所有系統工作等各個使用模式管理電氣能耗。
相關閱讀:
- ...· Efinix® 全力驅動AI邊緣計算,成功推出Trion™ T20 FPGA樣品, 同時將產品擴展到二十萬邏輯單元的T200 FPGA
- ...· 英飛凌亮相進博會,引領智慧新生活
- ...· 三電產品開發及測試研討會北汽新能源專場成功舉行
- ...· Manz亞智科技跨入半導體領域 為面板級扇出型封裝提供化學濕制程、涂布及激光應用等生產設備解決方案
- ...· 中電瑞華BITRODE動力電池測試系統順利交付北汽新能源
- ...· 中電瑞華FTF系列電池測試系統中標北京新能源汽車股份有限公司
- ...· 中電瑞華大功率高壓能源反饋式負載系統成功交付中電熊貓
- ...· 中電瑞華國際在電動汽車及關鍵部件測評研討會上演繹先進測評技術








