基于數字電源控制器UCD3138的一種新的輸入電流檢測方法
數字電源控制器UCD3138 含有AFE (analog front end, 模擬前端)模塊和Filter 模塊,用于輸出電壓的環路反饋。而對上述模塊靈活配置并組合后,也可以完成對輸入到EADC(差分ADC)模塊信號的平均值計算,關鍵配置涉及到EADC 的過采樣功能(oversample) ,平均功能(averaging)功能和Filter 模塊的積分(integration)支路配置。考慮到電流互感器的輸出端信號的平均值與實際輸入電流存在比例關系,因此通過讀取該輸出端信號的平均值便可得到實際的輸入電流信息。
1 引言
1.1數字電源控制器UCD3138 的應用
UCD3138參考信息:
http://www.ti.com.cn/product/cn/ucd3138?DCMP=contrib&HQS=pwr-pss-hpi-ucd3138-china008-contrib-pf-cn
數字電源控制器UCD3138 因其自身所具備的良好的前饋功能,通信功能和可編程性等特點,在DC/DC 電源中通常置于副邊側。常見的拓撲方案包括全橋,半橋和LLC 等。圖1 所示的是應用數字電源(控制器)UCD3138 的硬開關全橋系統框圖。UCD3138 位于副邊側,通過數字隔離器ISO7420CF完成驅動信號向原邊側的傳遞。

Figure 1. 硬開關全橋系統框圖
1.2 隔離電源拓撲中的電流互感器
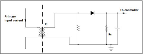
圖2 所示的是應用于全橋等拓撲中的電流互感器。其原邊側串入主功率回路,副邊側將按比例(比例系數為互感器的匝比T)衰減后的電流信息通過與采樣電阻相乘得電壓信息。位于副邊側的控制器UCD3138 通過讀取該電壓信息,可以完成逐周期保護等功能。
互感器副邊側輸出電壓:VT =(Iin÷T)×Rs

Figure 2. 電流互感器應用電路
1.3輸入電流檢測的原理
圖3 所示意的是電流互感器副邊側輸出端的電壓信號。上下兩組波形是在輸入電壓不同時所對應的輸出。在輸出功率確定后,隨著輸入電壓變高,梯形波的上升沿將變陡,其平均值將變低。

Figure 3. 電流互感器輸出信號
電流互感器輸出端的信號平均值與系統輸入電流的平均值成近似比例關系,因此可以通過讀取電流互感器輸出端的平均值來推算輸入電流。
2. UCD3138 的AFE 模塊和Filter 模塊
2.1 模塊功能概述
UCD3138 的AFE 和Filter 用來完成對輸出電壓誤差的采集,轉換和環路計算,輸出的數據進入到DPWM模塊,較終生成合適的占空比。如圖4 所示。

Figure 4. UCD3138 的AFE 和Filter
在實際應用中,可以用AFE 和Filter 來采集電流互感器輸出端的信號,并較終計算出其平均值。該功能的實現依賴于AFE 和Filter 所具備的如下特點:
1)AFE 中的EADC 具備oversample 功能,可以在一個周期內采集1,2,4,8 個樣本;
2)AFE 對EADC 輸出的數據可以進行平均(averaging),即可以對連續采集到的2,4,或8 個數據做累加,然后除于個數以得到平均值。
3)Filter 是PID 結構,因此可以只使用累加環節(Integration 支路),從而可以計算出一段時間內的累加和。
2.2 EADC 的Oversample
DPWM模塊可以在EADC 模塊中產生采樣觸發信號,使EADC 完成一次采樣。同時,EADC 還具有多次(2 次,4 次和8 次)采樣的功能。以8 次采樣為例,當EADC 收到DPWM的采樣觸發信號后, EADC 分別在采樣基準的1/8 處,2/8 處,3/8 處,4/8 處,5/8 處,6/8 處,7/8 處和采樣基準處完成8 次采樣,如圖5 所示。

Figure 5. EADC 的Oversample
2.3 EADC 的averaging
EADC 提供了兩種數據平均方式,分別是 連續方式(consecutive mode)平均和空間方式(spatialmode)平均。圖6 示意的如何對數據進行連續方式平均。其原理就是對連續采樣的2,4 或8 個數據進行累加,然后除于累加的個數,便得到了平均值。
計算后的平均值將送入到Filter 環節。

Figure 6. EADC 的Oversample
2.4 UCD3138 的Filter
圖7 是UCD3138 的filter,基于PID 結構。當只使用I 支路(即累加環節),可以對Xn 數據進行不斷的累加,累加的結果存儲在KI_YN 寄存器中。而Xn 數據就是來自EADC 的輸出。

Figure 7. UCD3138 的Filter 結構
2.5全流程數據處理
當oversample 配置為8 次,EADC 的平均次數配置為2 次,在2 個周期的時間內KI_YN 寄存器得到的數據如下圖8 所示:
1)每個周期采樣8 個樣本,故2 個周期共采集16 個;
2)每2 個樣本進行平均,平均后的數據進入到累加環節;
3)在2 個周期內,KI_YN 寄存器中總共存儲有8×2=16 個樣本的累加和;

Figure 8. 全流程數據處理
3. 讀取三角波的平均值
3.1 測試原理簡述
在UCD3138 的EAP1/EAN1 引腳(如圖4)接入直流電平信號或三角波信號,然后配置合理的
oversample,averaging 和采集的周期個數,較終在KI_YN 寄存器可以得到樣本總和。
然后將樣本總和與樣本個數相除,便得到了樣本的平均值。
3.2直流電平信號平均值的讀取
在EAP1 引腳接入直流電平信號(如圖9 左中的CH1),實測平均值為220mV。
通過配置oversample 為8 次,averaging 為8 次,在兩個周期內得到的平均值為-156÷8=-19.5。此時,DAC_Value 寄存器中寫入的值為2048,因此,根據軟件采樣確定的平均值為:
(2048÷16)×1.5625mV - (-19.5)= 219.5mV
該值與實際值的偏差小于-0.5%。上述公式的含義可以參考“參考文獻5”。


Figure 9. 直流信號平均值讀取
3.3 三角流平均值的讀取
在EAP1 引腳接入三角波信號(如圖10 左中的CH1),實測平均值為136mV。
通過配置oversample 為8 次,averaging 為8 次,在兩個周期內得到的平均值為466÷8=58.25。此時,DAC_Value 寄存器中寫入的值為2048,因此,根據軟件采樣確定的平均值為:
(2048÷16)×1.5625mV - 58.25= 141.75mV
該值與實際值的偏差小于5%。


Figure 10. 三角波信號平均值讀取
3.4 軟件流程與代碼
圖11 是整個數據處理的軟件流程圖,主要包含主程序中的初始化與配置,快中斷程序中的數據處理等兩個部分。
對快中斷部分,使用周期快中斷,中斷間隔為256 個周期。每次處理都是連續三次進入快中斷,在第一次進入快中斷后,配置EADC 和Filter;在第二次進入后進行數據讀取,此時在KI_YN 中共有8×256=2048 個樣本的累加和。(oversample 設置為8)

Figure 11. 軟件處理流程
關鍵代碼如下:
配置Dpwm0 周期中斷及打開中斷功能


、
2. 快中斷處理程序
僅在第二次和第三次進入快中斷后進行數據的讀取。

3. 配置函數handle_current_averaging_config()
該函數主要完成EADC1 與Filter1 的連接配置、EADC 的基本配置(包括DAC_VALUE 的寫入, AFE_GAIN 的配置,Averaging 的配置等)、Oversample 的配置及Filter 的配置。

4.配置函數handle_current_averaging()
該函數主要完成KI_YN 寄存器中數據的讀取,Filter 的復位(需要對KI_YN 寄存器清零,不
然該寄存器會溢出)及Filter 的使能等。

4.實測單板輸入電流
4.1測試單板概述
在一款基于UCD3138 的硬開關全橋EVM 板(UCD3138HSFBEVM-029)上進行輸入電流的實際測試。該單板的關鍵技術規格如下:
● 輸入電壓:36V~72V
● 輸出功率:12V×30A
● 功率拓撲:單級硬開關全橋
● 電流互感器:如圖2 所示,T1 的匝比為100:1,Rs 為10 ohm。
為實現EADC1 和Filter1 讀取和計算輸入電流,需要將電流互感器副邊側的輸出連接到EAP1 和EAN1。單板其余部分保留原有設計。
4.2實測數據
1. 輸出電流設定為3A,輸入電壓設定為50V
實測電流互感器的輸出信號如圖12(左),其平均值為89.26mV。此時輸入電流為850mA,二者存在近似比例關系。比例系數主要由互感器的匝比與采樣電阻決定:0.01×10=0.1。


Figure 12. 實測波形及實際讀取數據1
將DAC_VALUE 設定為1024,通過軟件計算后,讀取到的current_x16 變量(該變量含義參考3.4小節)值為9,如圖12(右)所示。因此,計算出的平均值為:
(1024÷16)×1.5625mV – 9 = 91mV
該值與實測值的誤差小于5%,與實際輸入電流的誤差小于7%。
2.輸出電流設定為3A,輸入電壓設定為55V
實測電流互感器的輸出信號如圖13(左),其平均值為82.48mV。此時輸入電流為780mA。


Figure 13. 實測波形及實際數據讀取2
將DAC_VALUE 設定為1024,通過軟件計算后,讀取到的current_x16 變量值為15,如圖13(右)所示。因此,計算出的平均值為:
(1024÷16)×1.5625mV – 13 = 87mV
該值與實測值的誤差小于5%,與實際輸入電流的誤差小于12%。
5 總結
通過上文描述可知,在對UCD3138 的EADC 和Filter 進行相應配置后,可以完成對EAP/EAN 引腳輸入信號平均值的讀取,而且讀取值與實際值的誤差較小。
同樣,該功能可以應用于單板輸入電流的讀取,實測結果亦證實了這一點。受限于輕載條件下實際輸入電流與電流互感器的輸出存在較大誤差,因此,軟件讀取值與實際輸入電流存有一定誤差。
如需更多信息,您還可以點擊如下鏈接:
http://www.ti.com.cn/lsds/ti_zh/analog/powermanagement/power_portal.page?DCMP=contrib&HQS=pwr-pss-hpi-power-china008-contrib-lp-cn
相關閱讀:
- ...2012/04/09 15:36·基于數據的網絡化系統較優控制
- ...2012/03/19 11:31·基于數據建模的燒結礦成分預測
- ...2011/08/31 15:12·基于數字移相器的逆變器系統相位跟蹤控制
- ...· Efinix® 全力驅動AI邊緣計算,成功推出Trion™ T20 FPGA樣品, 同時將產品擴展到二十萬邏輯單元的T200 FPGA
- ...· 英飛凌亮相進博會,引領智慧新生活
- ...· 三電產品開發及測試研討會北汽新能源專場成功舉行
- ...· Manz亞智科技跨入半導體領域 為面板級扇出型封裝提供化學濕制程、涂布及激光應用等生產設備解決方案
- ...· 中電瑞華BITRODE動力電池測試系統順利交付北汽新能源
- ...· 中電瑞華FTF系列電池測試系統中標北京新能源汽車股份有限公司
- ...· 中電瑞華大功率高壓能源反饋式負載系統成功交付中電熊貓
- ...· 中電瑞華國際在電動汽車及關鍵部件測評研討會上演繹先進測評技術








