基于USB接口的實用型數據采集卡設計
摘要: 本文采用一種新型的通信標準USB,研制出一種基于USB接口的實用型數據采集卡。硬件是一外置式的密封設備,軟件具有很好的用戶圖形界面。整個系統功能齊全、操作簡單,采樣速度24MB/s達到國內先進水平。詳細論述了高速數據采集系統的硬件設計,并且對系統所使用的主要芯片和相關技術做了說明;本文還對USB驅動程序、固件程序和應用層程序進行了開發。
關鍵字: 數據采集;USB;數模轉換;CPLD
1 引言
隨著低成本高性能的計算機資源普及運用、大規模集成電路技術和通訊技術的飛速發展,數字化測量平臺逐漸成為測量儀器的基礎。所有測量測試儀器的主要功能由數據采集采集與控制、數據分析與處理、結果的表達與輸出三大部分組成。高質量的A/D采集卡及調理放大器是影響其發展的一個重要因素。本文實現了基于USB接口的實用型數據采集卡的設計。
2數據采集卡的結構設計
本文采用集散型的系統結構,定位為高速、雙通道的數據采集系統。整個系統采用模塊化技術,各個模塊通過總線連接。設計時將整個系統劃分為四個相互關聯的有機部分,即信號調理模塊、數據采集模塊、CPLD控制模塊和軟件操作平臺。模塊間連接關系如圖1所示。

圖1 模塊間的連接
高速數據采集卡的設計的關鍵是高速ADC的選擇和經采樣得到的高速數據如何被送到計算機里進行處理,在本章中將詳細介紹關于高速數據采集卡的各模塊的設計。高速數據采集卡硬件部分的設計從功能上主要包括信號調理模塊、高速模數轉換模塊、CPLD控制模塊以及與計算機接口部分電路組成。
2.1 信號調理模塊的設計
在高速數據采集系統中,現場輸入信號是高頻的模擬信號,信號變化的范圍都比較大,如果采用單一的增益放大,那么放大以后的信號幅值有可能超過A/D轉換的量程,所以必須根據信號的變化相應地調整放大器的增益。在自動化程度較高的系統中,希望能夠在程序中用軟件控制放大器的增益,AD8321正是這樣一種具有增益可編程功能的芯片。AD8321是美國AD工公司生產的一種增益可編程線驅動器,可廣泛應用于多種領域。它具有頻帶寬、噪聲低、增益可編程且易于與單片機進行串行通信等優點,十分適合在數據采集系統做前置放大。本文的高速數據采集系統原理圖如圖2。
圖2 高速數據采集系統原理圖
在此系統中,高頻模擬信號線輸入到AD8321,經程控放大后再輸送到具有采樣保持功能的模數轉換器中,因為采樣頻率為高頻,所以在A/D后接在EZ-USB FX2芯片,然后再連到計算機上。
2.2 高速模數轉換模塊的設計
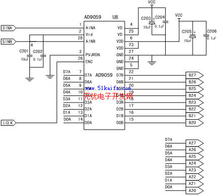
圖3 AD9059管腳及基本連接
高速數據采集卡的核心是高速模數轉換器,它直接影響了整個數據采集卡的性能指標,所以選擇合適的高速模數轉換器是至關重要的。
本文采用的高速模數轉換器是AD公司生產的AD9059, AD9059是8位單片雙通道模數轉換器,主要有兩個跟蹤/保持電路(T/H)、2個模數轉換器(ADCa, ADCb)和一個2.5V的基準電源等組成,具有高速、高性能、低功耗及易使用等特性,60MSPS的編碼速率和120MHz的較大功率模擬帶寬使其在多路數據采樣系統中表現出優秀的動態性能。大部分情況下,AD9059僅需要一個單極性的5V電源和一個編碼時鐘即能正常工作。編碼時鐘提供與TTL/CMOS兼容的邏輯數據輸出,并控制兩個模數轉換通道同時對數據進行采樣。如長時間不需要采集數據,可啟動體眠模式使總功耗小于12MW。AD9059的管腳和基本連接如圖3所示。管腳AINA, AINB為雙通道模擬輸入;VREF為參考電壓,一般可以采用內部2.5V的參考電壓。理論上模擬電壓的輸入范圍與參考電壓有關,Vrange (p-p)=VREF/2.5, Vmidscale=VREF。PWRDN為掉電功能選擇,當 PWRDN為邏輯高電平時,AD9059處于掉電模式,這時,所有的邏輯輸出變為高阻態,VD為+5V模擬供電電壓,VDD為邏輯輸出供電電壓,D0A-D7A和D0B-D7B為雙通道數據輸出,ENCODE為編碼時鐘,較大采樣時鐘為60MHZ, ADC在時鐘的上升沿開始采樣。經過A/D轉換后的數據直接傳送到FX2的數據線上。ADC的時鐘及控制信號等由CPLD提供。
2.3 CPLD的選擇與USB設計
在本設計中,所有的數字電路部分,全部是在CPLD內實現的。在本設計中采用了Lattice公司的ISP1032這塊芯片,所用的EDA軟件是Lattice公司的ispEXPERT system,編程語言為ABEL語言和電路原理圖。
在用CPLD進行數字系統的設計一般采用由頂到下,由粗到細,逐步求精的原則,較頂層的設計是指系統的整體要求,較底層的設計是具體的邏輯電路的實現。經過在實踐中檢驗,在高速數據采集卡中,用CPLD來實現數字邏輯電路功能,可以使高速數據采集卡工作穩定,各方面性能良好。
通用串行總線(Universal Serial Bus,簡稱USB)是1995年康柏、微軟、IBM,DEC等公司為了解決傳統總線的不足推廣的一種新型串行通信標準。該總線接口具有安裝方便、高帶寬、易擴展等優點,已經逐漸成為現代數據傳輸的發展趨勢。在本文中采用的是具備USB通信功能的單片機的芯片,Cypress公司的EZ-USB FX2。
3 系統軟體設計
3.1 USB設備驅動程序

圖4 USB驅動程序體系結構
Windows系統對構成一個USB總線主機的不同軟件部分進行了明確的劃分,如圖4所示,其中USB客戶軟件僅僅包含了用來控制不同的USB外設的設備驅動程序。USB客戶軟件會通過一個Windows所定義的一個軟件接口來同根集線器驅動程序進行通信。而USB根集線器驅動程序則要通過USBDI(通用串行總線驅動程序接口)來實現同USBD通用串行總線驅動程序)的通信。然后,USBD會選擇兩種主控制器驅動程序(UHCD和OpenHCI)之一來同其下方的主控制器進行通信。較后,在USB總線和主機控制器之間存在一個PCI總線枚舉器,它負責在檢測到系統中存在一個通用串行總線時,裝載適當的USB總線系統軟件,主控制器驅動程序會通過PC工枚舉器軟件直接實現對USB物理層總線的訪問。HCD與USBD代表了基于對不同層次的抽象的軟件接口,它們能以某種方式共同工作,以滿足USB系統的整體要求。
3.2 固件程序開發
設備固件是設備運行的核心,它控制整個硬件系統的運行,并負責處理PC機發來的各種USB請求,以完成它們之間的數據傳輸。其主要功能包括控制放大模塊、實現通道選擇;控制A/D模塊的數據采集;通過FX2實時上傳采集數據給PC;控制FX2芯片接收并處理USB設備驅動程序的請求(如設置USB接口狀態等多種USB協議標準請求)等。
Cypress公司提供的EZ-USB FX2軟件包為用戶開發基于EZ-USB FX2系列芯片的USB設備的編程提供了很大的方便。無論是開發基于外設的8051固件程序,還是開發基于USB主機的設備驅動程序或應用程序,該軟件包都提供了較完備的程序框架和例程庫。
EZ-USB FX2固件庫為用戶開發EZ-USB FX2固件提供了底層Keil C函數庫。EZ-USB FX2軟件開發包提供了該庫的目標文件,同時還提供了該函數庫的源代碼,用戶可以利用Keil來重新編寫該函數庫。
EZ-USB FX2固件是使用EZ-USB FX2程序框架或直接使用EZ-USB FX2固件庫開發的程序,這是開發USB外設的重要部分。
FX2在其固件程序中把自己定義為USB大存儲類、塊傳輸子類,操作系統(Win98以上)有相應的USB類設備驅動程序來支持這種USB類外設,而不需要另外在操作系統內安裝其驅動程序。在FX2的固件程序中寫入USB通信模塊,就可以實現主機和USB設備的通信。
固件程序必須包括DSCR.A51(A51宏匯編器), USBJmpTb.OBJ(目標文件轉換器)和Ezusb.lib ( Ezusb C編譯器庫文件和啟動代碼)。
固件程序有兩個C文件,一個是FW.C,即框架程序,定義了基本的USB設備的功能,一般不許修改。另一個是FUNCTION.C(FUNCTION為自己命名),本設計要實現的具體功能在此文件中完成。
3.3 應用層程序
應用層程序用Visual C++6.0來開發,它可以直接調用底層的設備驅動程序。利用VC開發的應用軟件具有高效、美觀、操作方便等優點。

圖5 軟件流程圖
如圖5所示,本系統需要通過軟件下載固件程序,對ADC、放大模塊、采集模塊進行控制,同時還要接收或者發送數據。在采集開始前,可以先將命令發送出去,實現在固件程序中定義的相應功能,如通過FX2口線控制前置放大模塊等。然后可以讀取傳送到主機的數據,或者向設備發送數據等。
本文作者創新點: 本文設計的USB2.0為接口的數據采集卡,采樣及數據傳輸速度都達到了24Mb/s,達到國內先進水平。同時該系統具有簡單實用,硬件成本低,構造簡單,復用性良好,功能強大的特點,也是該系統的優勢之處。
相關閱讀:
- ...2012/04/12 11:38·基于USB的球桿測控系統開發
- ...2012/03/26 14:07·基于uC/OSII的ARM9引導程序設計與實現
- ...2011/09/30 12:12·基于USB與RS485總線的監控系統設計
- ...2011/09/29 16:10·基于UC3906的太陽能充電控制器設計方案
- ...2011/08/29 09:22·基于uC/OS-II的遠程多點溫度監測系統
- ...2009/03/04 09:50·基于USB2.0接口的生物阻抗分析儀的研制
- ...· Efinix® 全力驅動AI邊緣計算,成功推出Trion™ T20 FPGA樣品, 同時將產品擴展到二十萬邏輯單元的T200 FPGA
- ...· 英飛凌亮相進博會,引領智慧新生活
- ...· 三電產品開發及測試研討會北汽新能源專場成功舉行
- ...· Manz亞智科技跨入半導體領域 為面板級扇出型封裝提供化學濕制程、涂布及激光應用等生產設備解決方案
- ...· 中電瑞華BITRODE動力電池測試系統順利交付北汽新能源
- ...· 中電瑞華FTF系列電池測試系統中標北京新能源汽車股份有限公司
- ...· 中電瑞華大功率高壓能源反饋式負載系統成功交付中電熊貓
- ...· 中電瑞華國際在電動汽車及關鍵部件測評研討會上演繹先進測評技術








