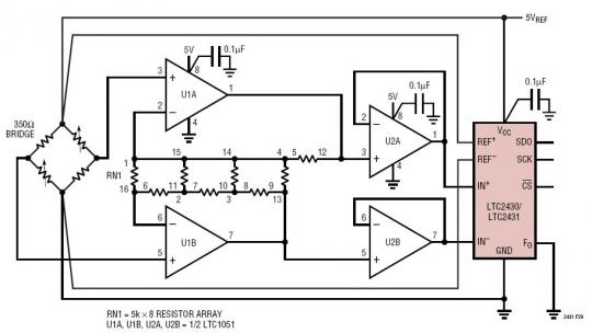
Full-Bridge Amplification Using Autozero Amplifiers to Reduce Input Referred Noise

This circuit shows an example of a simple amplification scheme. This example produces a differential output with a common mode voltage of 2.5V, as determined by the bridge. The use of a true three amplifier instrumentation amplifier is not necessary, as the LTC2430/LTC2431 have common mode rejection far beyond that of most amplifiers. The LTC1051 is a dual autozero amplifier that can be used to produce a gain of 10 before its input referred noise dominates the LTC2430/LTC2431 noise. This example shows a gain of 34, that is determined by a feedback network built using a resistor array containing eight individual resistors. The resistors are organized to optimize temperature tracking in the presence of thermal gradients. The second LTC1051 buffers the low noise input stage from the transient load steps produced during conversion.
相關閱讀:
- ...2011/06/10 17:05·Full-Bridge Amplification Using a Resistor Arrays to Provide Precise Matching in Excitation Amplifier
- ...2011/06/10 17:05·Full-Bridge Amplification Using a Single Amplifier
- ...2011/06/10 17:05·Full-Bridge Load Current Monitor
- ...2011/06/08 15:28·Fully Isolated AC Power and Current Monitor
- ...2011/06/07 15:15·Low Noise Fully Differential Buffer/Amplifier
- ...· Efinix® 全力驅動AI邊緣計算,成功推出Trion™ T20 FPGA樣品, 同時將產品擴展到二十萬邏輯單元的T200 FPGA
- ...· 英飛凌亮相進博會,引領智慧新生活
- ...· 三電產品開發及測試研討會北汽新能源專場成功舉行
- ...· Manz亞智科技跨入半導體領域 為面板級扇出型封裝提供化學濕制程、涂布及激光應用等生產設備解決方案
- ...· 中電瑞華BITRODE動力電池測試系統順利交付北汽新能源
- ...· 中電瑞華FTF系列電池測試系統中標北京新能源汽車股份有限公司
- ...· 中電瑞華大功率高壓能源反饋式負載系統成功交付中電熊貓
- ...· 中電瑞華國際在電動汽車及關鍵部件測評研討會上演繹先進測評技術








